泊頭市香蕉视频在线观看免费泵業有限公司

大香蕉一级片找香蕉视频在线观看免费泵業谘詢電話:13931762407
熱門點擊:
   
公司動態 news
  KCB大香蕉一级片結構特點
KCB大香蕉一级片有齒輪,軸,泵體,安全閥,軸端密封(特殊要求,可選用磁力驅動,零泄漏結構)等組成.齒輪經熱處理有較高的硬度和強度,與軸一同安裝在可更換的軸套內運轉.泵內全部零件的潤滑均在泵.....
油泵產品列表  
大香蕉一级片
91香蕉视频APP下载安装
久久久香蕉视频
保溫瀝青泵
單螺杆泵
雙螺杆泵
三螺杆泵
自吸式離心泵
渣漿泵
高粘度泵
化工泵
船用泵
磁力泵
渣油泵係列
 
 
產品中心 當前位置 > 香蕉视频在线观看免费泵業 > 產品展示 > 大香蕉一级片 >
 
  • KCB不鏽鋼大香蕉一级片
  • -詳細參數

KCB不鏽鋼大香蕉一级片用途

KCB不鏽鋼大香蕉一级片主要用於各種機械設備中的潤滑係統中輸送潤滑油,適用於輸送粘度為5×10-6~1.5×10-3m2/s (5-1500cSt),溫度在300℃以下的具有潤滑性的油料.不鏽鋼大香蕉一级片,可輸送無潤滑性的油料,飲料,低腐蝕性的液體.配用銅齒輪可輸送低內點液體,如汽油,苯等.本係列不鏽鋼泵除配置普通電機外,還可根據用戶需要配置同規格的防爆電機.材質:304.316.316L不鏽鋼.

KCB不鏽鋼大香蕉一级片適用範圍
在輸油係統中可用作傳輸,增壓泵;
在燃油係統中可用作輸送,加壓,噴射的燃油泵;
在衛生條件要求較高的場合,如醫藥,食品等行業;在有弱腐蝕性的場合,如精細化工,化妝品,印染,釀造行業.
在一切工業領域中,均可作潤滑油泵用.

KCB不鏽鋼大香蕉一级片結構特點
KCB不鏽鋼大香蕉一级片主要有齒輪,軸,泵體,安全閥,軸端密封所組成.齒輪經熱處理有較高的硬度和強度,與軸一同安裝在可更換的軸套內運轉.泵內全部零件的潤滑均在泵工作時利用輸出介質而自動達到.
KCB不鏽鋼大香蕉一级片內有設計合理的泄油和回油槽,是齒輪在工作中承受的扭矩力小,因此軸承負荷小,磨損小,泵效率高.
KCB不鏽鋼大香蕉一级片設有安全閥作為超載保護,安全閥的全回流壓力為泵額定排除壓力的1.5倍,也可在允許排出壓力範圍內根據實際需要另外調整.但注意本安全閥不能作減壓閥的長期工作,需要時可在管路上另行安裝.
從主軸外伸端向泵看,為順時針旋轉.
大流量齒輪油泵,大香蕉一级片,缷油泵,輸油泵,原油泵,船用大香蕉一级片等.
流量:1.1m3/h-600m3/h壓力:0.28MPa--2.5MP.
KCB不鏽鋼大香蕉一级片主要用於油田,油庫,港口,碼頭,船舶等大流量輸油,卸油!

KCB不鏽鋼大香蕉一级片的使用注意事項:
(1)安裝完畢後,用手轉動聯軸器檢查有無碰擦現象。
(2)為防止雜物進人泵內,泵進口處設過濾器,過濾麵積大於管路截麵積的3一4倍。
(3)嚴禁空運轉。
(4)揚程高的泵在出口管路上應裝止回閥,以防突然停機的水錘破壞。
(5)開泵程序:開車前打開進口閥門,將泵內灌滿須輸送的液體;關閉出口閥;點動電揚機,檢查泵的轉向是否正確;泵啟動後,出口閥應緩慢開啟,KCB不鏽鋼大香蕉一级片達到正常運行狀態後,再將出口閥調到所需開度。試運轉5--10min,如無異常,可投入運行。
停車程序:關閉出口閥門;切斷電源;關閉進口,長期停機不用時,清洗泵內流道並切斷電源。 KCB不鏽鋼大香蕉一级片齒輪采用漸開線斜齒輪結構,采用耐腐蝕氟膠骨架油封和聚四氟高溫填料密封組合裝配,密封效果好,耐溫高。特殊工況條件可以采用不鏽鋼耐腐蝕機械密封。
KCB不鏽鋼大香蕉一级片型泵在泵體中裝有一對回轉齒輪,依靠兩齒輪的相互齧合,把泵內的整個工作腔分兩個獨立的部分。
KCB不鏽鋼齒輪油泵運轉時主動齒輪帶動被動齒輪旋轉,當齒輪脫開齧合時在吸入側就形成局部真空,液體被吸入。被吸入的液體充滿齒輪的各個齒穀而帶到排出側,齒輪進入齧合時液體被擠出而排出泵外。


KCB不鏽鋼大香蕉一级片性能參數表

型號

流量 Q

轉速 n
r/min
排出壓力 p
Mpa
必需汽
蝕餘量
r
m
效率
η
%
電機
m3/hL/min

功率KW

型號

KCB-18.31.118.314001.455441.5Y90L-4
2CY-1.1/1.45
KCB-33.3233.314201.455442.2Y100L1-4
2CY-2/1.45
KCB-553.35514000.337411.5Y90L-4
2CY-3.3/0.33
KCB-83.3583.314200.337432.2Y100L1-4
2CY-5/0.33
KCB-13581359400.335462.2Y112M-6
2CY-8/0.33
KCB-2001220014400.335464Y112M-4
2CY-12/0.33
KCB-300183009600.365425.5Y132M2-6
2CY-18/0.36
KCB-483.329483.314400.365.54211Y160M-4
2CY-29/0.36
KCB-633386339700.2864311Y160L-6
2CY-38/0.28
KCB-9605896014700.286.54318.5Y180M-4
2CY-58/0.28
KCB-12007212007400.674337Y280S-8
KCB-160095160098045Y280S-6
KCB-180011218007400.67.54355Y315S-8
KCB-2500150250098575Y315S-6
KCB-285017028507400.684490Y315L1-8
KCB-38002303800989110Y315L1-6
KCB-410024541007430.6844132Y355M1-8
KCB-54003255400989160Y355M1-6
KCB-560033056007440.6844160Y355M2-8
KCB-76004607600989200Y355M3-6
KCB-700042070007440.6844185Y355L1-8
KCB-96005709600989250Y355L2-6

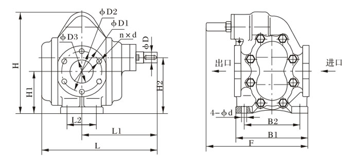
KCB200-960型大香蕉一级片外型、安裝尺寸

KCB200-960型大香蕉一级片外型、安裝尺寸

型號LL1L2B1B2HH1H2FφD1φD2φD3n×dφD4-φd
KCB-20029020066214160263.5118152.5300140110504-M122813
KCB-30035423090225180308128170318155123706-M143216
KCB-483.335423090225180308128170318155123706-M143216
KCB-6334152701202801753851882053801901581008-M143818
KCB-9604152701202801753851882053801901581008-M143818

KCB-200--KCB-960整機外形,安裝尺寸及重量

KCB-200--KCB-960整機外形,安裝尺寸及重量

型號LL1L2L3L4n×φHH1H2H3H4BB1B2B3B4DD1D2n×d重量
Weight(kg)
KCB-20070957741958904×φ1635531416820250326290240190214φ50φ110φ1404×M12135
KCB-300883715502801244×φ2242337819824070390340280210228φ70φ123φ1556×M14173
KCB-483.39727955658901244×φ2246537819824070450400290255228φ70φ123φ1556×M14213
KCB-63310749016291001454×φ2250045525827570450400285255280φ100φ158φ1908×M14274.5
KCB-96010999006351001454×φ2252545528327570470420285285280φ100φ158φ1908×M14304.5


KCB係列大香蕉一级片性能曲線圖

各型大香蕉一级片性能參數中給出的排出壓力是給出的大工作壓力值,在此範圍內泵均能正常工作,其工作範圍見下圖。
 KCB係列大香蕉一级片性能曲線圖

KCB係列大香蕉一级片工作範圍圖


KCB係列大香蕉一级片工作範圍圖
KCB係列大香蕉一级片工作範圍圖
KCB係列大香蕉一级片工作範圍圖
KCB係列大香蕉一级片工作範圍圖
KCB係列大香蕉一级片工作範圍圖



 相關新聞
 相關產品

泊頭市香蕉视频在线观看免费泵業製造有限公司  手機:13931762407 電話:0317-8285333 傳真:0317-8356252 聯係人:吳經理 
郵箱:chinayoubeng@163.com 地址:河北省泊頭市
網址:www.kengfafj.com Copyright 泊頭市香蕉视频在线观看免费泵業製造有限公司 all Rights Reserved .冀ICP備70358679號-1
網站地圖