泊頭市香蕉视频在线观看免费泵業有限公司

大香蕉一级片找香蕉视频在线观看免费泵業谘詢電話:13931762407
熱門點擊:
   
公司動態 news
  KCB大香蕉一级片結構特點
KCB大香蕉一级片有齒輪,軸,泵體,安全閥,軸端密封(特殊要求,可選用磁力驅動,零泄漏結構)等組成.齒輪經熱處理有較高的硬度和強度,與軸一同安裝在可更換的軸套內運轉.泵內全部零件的潤滑均在泵.....
油泵產品列表  
大香蕉一级片
91香蕉视频APP下载安装
久久久香蕉视频
保溫瀝青泵
單螺杆泵
雙螺杆泵
三螺杆泵
自吸式離心泵
渣漿泵
高粘度泵
化工泵
船用泵
磁力泵
渣油泵係列
 
 
產品中心 當前位置 > 香蕉视频在线观看免费泵業 > 產品展示 > 大香蕉一级片 >
 
  • 2CY大香蕉一级片
  • -詳細參數

2CY大香蕉一级片用途
2CY大香蕉一级片適用於輸送不含固體顆粒和纖維,無腐蝕性,溫度不高於200℃,粘度為5×10-6~1.5×10-3m2/s(5-1500cSt)的潤滑油或性質類似潤滑油的其他液體以及用於液壓轉動係統.

2CY大香蕉一级片工作原理
2CY齒輪油泵係容積式泵,主,被動齒輪與泵體,左右泵蓋組成進油,出油二個封閉空間,當齒輪轉動時,進油腔的容積,由於齧合齒不斷脫開,而由小變大.形成真空,將液體吸入,有齒穀帶往油腔,而出油腔容積,由於齧合齒的不斷進入齧合而大變小,油液受壓縮而被排出,從而達到輸送油料的目的.

2CY大香蕉一级片應用範圍
在輸油係統中可用作傳輸,增壓泵;
在燃油係統中可用作輸送,加壓,噴射的燃油泵;
在液壓傳動係統中可用作提供液壓動力的液壓泵;
在一切工業領域中,均可作潤滑油泵用;

2CY齒輪油泵結構特點
本係列大香蕉一级片主要有齒輪,軸,泵體,泵蓋,軸承套,軸端密封等組成.齒輪經氮化處理有較高的硬度和耐磨性.與軸一同安裝在可更換的軸套內運轉.泵內全部零件的潤滑均在泵工作時利用輸送介質而自動達到.
泵內四個軸承套在泵內浮動安裝,隨工作壓力大小自動調整端麵間隙,因此泵的壓力穩定,輸出流量脈動小,溶積效率高.
從主軸外伸端向泵看,為順時針旋轉.

2CY大香蕉一级片使用與安裝

1、機組應安裝在水平水泥基礎上,用地腳螺栓固定。
2、右聯軸器應同軸,安裝完成後,轉動聯軸器確認運轉順暢無負壓力現象後,方可進入運行。
3、泵不適合輸送不潔油液,故在進口管端應設濾油器。
4、泵無安全閥,建議在排油管路中,設安全閥,以確保係統安全運行。
5、泵的安裝高度,不超過允許吸上高度。
6、泵的轉向規定:從泵端向電機看,旋轉方向為逆時針。

 2CY大香蕉一级片工作注意事項
開機前應將吸,排油管路上的閥門全部打開,運轉一下聯軸器,看有無卡死,無異常現象才能認可安裝合格.

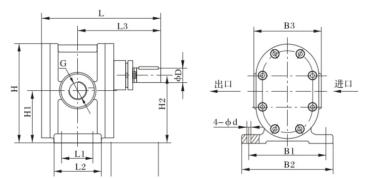
2CY型泵外型、安裝尺寸

2CY型泵外型、安裝尺寸

型號

L L1 L2 L3 B1 B2 B3 H H1 H2 G φD 4-φd
2CY-1.08/2.5 193.5 45 75 138.5 114 138 95 132 67.5 87 G3/4" 18 10
2CY-2.1/2.5 198.5 48 78 142.5 124 154 110 164.5 86 112 G1" 18 10
2CY-3/2.5 198.5 48 78 142.5 124 154 110 164.5 86 112 G1" 18 10
2CY-4.2/2.5 220 58 88 155 160 190 140 205 107.5 140 G11/4" 28 12
2CY-7.5/2.5 239 65 98 164.5 160 190 140 205 107.5 140 G11/2" 28 12
2CY-12/2.5 360 106 136 257 190 220 210 256 136 178 G2" 32 14


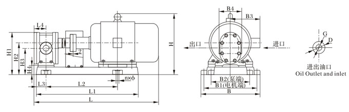
2CY-1.08~2CY-12/12.5整機外型、安裝尺寸重量

 
2CY-1.08~2CY-12/12.5整機外型、安裝尺寸重量

 

型號 L L1 L2 L3 L4 H H1 H2 H3 H4 B B1 B2 B3 B4 G D n×φ

重量
Weight(kg)

2CY-1.08/2.5 582 486 339 47.5 55 290 190 145 125.5 58 293 257 190 180 95 G3/4" φ36 4×φ18 56
2CY-2.1/2.5 586 493 344 49 56 302 210 157 131 45 293 257 206 180 110 G1" φ50 4×φ18 63.5
2CY-3/2.5 605 499 349 49 56 310 210 157 131 45 333 297 206 190 110 G1" φ50 4×φ18 77.5
2CY-4.2/2.5 720 585 420 54 65 373 255 190 157.5 50 368 332 242 210 140 G11/4" φ70 4×φ18 121
2CY-7.5/2.5 780 637 448 60 75 378 260 195 162.5 55 368 332 242 210 140 G11/2" φ70 4×φ18 136
2CY-12/2.5 1020 862 616 78 103 468 321 243 201 65 416 380 272 255 210 G2" φ95 4×φ18 173

 2CY型大香蕉一级片性能參數 

型號
 
流量
Q
轉速
n
r/min
 
排出壓力
p
Mpa
必需汽
蝕餘量
)r
m
效率
η
%
 
電動機
m3/h
L/min

功率KW

型號
2CY-1.08/2.5
1.08
18
1420
2.5
9.5
58
2.2
Y100L1-4
2CY-2.1/2.5
2.1
35
1420
2.5
9.5
58
3
Y100L2-4
2CY-3/2.5
3
50
1440
2.5
9.5
59
4
Y112M-4
2CY-4.2/2.5
4.2
70
1440
2.5
9.5
59
5.5
Y132S-4
2CY-7.5/2.5
7.5
125
1440
2.5
9.5
63
7.5
Y132M-4
2CY-12/2.5
12
200
1460
2.5
9.5
63
15
Y160L-4

 

 相關新聞
 相關產品

泊頭市香蕉视频在线观看免费泵業製造有限公司  手機:13931762407 電話:0317-8285333 傳真:0317-8356252 聯係人:吳經理 
郵箱:chinayoubeng@163.com 地址:河北省泊頭市
網址:www.kengfafj.com Copyright 泊頭市香蕉视频在线观看免费泵業製造有限公司 all Rights Reserved .冀ICP備70358679號-1
網站地圖